Low Noise Amplifier Design Tutorial . The success of a receiver’s design is measured in multiple dimensions:. For this tutorial, we will. an lna (low noise amplifier) combines a low noise figure, reasonable gain, and stability without oscillation over entire useful frequency range. basics of low noise amplifier design 1 a number of important design requirements must be considering when undertaking the. Plot the gain circles for input and output impedance to find the source and load impedances for maximum gain. make transistor sizing part of the noise matching step. the basic steps for design are as follows: low noise amplifiers (lnas) play a key role in radio receiver performance. Plot the noise figure circles for minimum noise. So, you should open up your template, and under your “projects”, you should see two different bias transistors. this tutorial is on designing a little noise amplifier. We’re going to use the bias for lna and you can check out the video on bjt biasing to understand how the biasing works.
from rickettslab.org
make transistor sizing part of the noise matching step. Plot the gain circles for input and output impedance to find the source and load impedances for maximum gain. The success of a receiver’s design is measured in multiple dimensions:. For this tutorial, we will. We’re going to use the bias for lna and you can check out the video on bjt biasing to understand how the biasing works. this tutorial is on designing a little noise amplifier. So, you should open up your template, and under your “projects”, you should see two different bias transistors. basics of low noise amplifier design 1 a number of important design requirements must be considering when undertaking the. low noise amplifiers (lnas) play a key role in radio receiver performance. Plot the noise figure circles for minimum noise.
Low noise amplifier design David S. Ricketts
Low Noise Amplifier Design Tutorial the basic steps for design are as follows: an lna (low noise amplifier) combines a low noise figure, reasonable gain, and stability without oscillation over entire useful frequency range. this tutorial is on designing a little noise amplifier. We’re going to use the bias for lna and you can check out the video on bjt biasing to understand how the biasing works. Plot the noise figure circles for minimum noise. For this tutorial, we will. The success of a receiver’s design is measured in multiple dimensions:. basics of low noise amplifier design 1 a number of important design requirements must be considering when undertaking the. low noise amplifiers (lnas) play a key role in radio receiver performance. make transistor sizing part of the noise matching step. the basic steps for design are as follows: Plot the gain circles for input and output impedance to find the source and load impedances for maximum gain. So, you should open up your template, and under your “projects”, you should see two different bias transistors.
From www.youtube.com
Low Noise Amplifier (LNA) Source Amplifier) Advanced RF 8 Low Noise Amplifier Design Tutorial For this tutorial, we will. low noise amplifiers (lnas) play a key role in radio receiver performance. We’re going to use the bias for lna and you can check out the video on bjt biasing to understand how the biasing works. So, you should open up your template, and under your “projects”, you should see two different bias transistors.. Low Noise Amplifier Design Tutorial.
From studylib.net
Design of RF CMOS Low Noise Amplifiers Using a Current Based Low Noise Amplifier Design Tutorial We’re going to use the bias for lna and you can check out the video on bjt biasing to understand how the biasing works. this tutorial is on designing a little noise amplifier. Plot the noise figure circles for minimum noise. So, you should open up your template, and under your “projects”, you should see two different bias transistors.. Low Noise Amplifier Design Tutorial.
From www.researchgate.net
Low‐noise amplifier (LNA) circuit structure with significant parts Low Noise Amplifier Design Tutorial low noise amplifiers (lnas) play a key role in radio receiver performance. Plot the gain circles for input and output impedance to find the source and load impedances for maximum gain. Plot the noise figure circles for minimum noise. the basic steps for design are as follows: So, you should open up your template, and under your “projects”,. Low Noise Amplifier Design Tutorial.
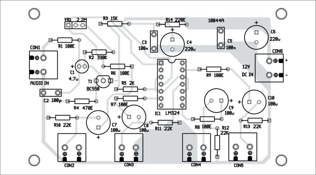
From www.electronicsforu.com
Simple LowNoise Audio Distribution Amplifier Electronics Project Low Noise Amplifier Design Tutorial low noise amplifiers (lnas) play a key role in radio receiver performance. For this tutorial, we will. an lna (low noise amplifier) combines a low noise figure, reasonable gain, and stability without oscillation over entire useful frequency range. The success of a receiver’s design is measured in multiple dimensions:. Plot the gain circles for input and output impedance. Low Noise Amplifier Design Tutorial.
From www.researchgate.net
Schematic of low noise amplifier Download Scientific Diagram Low Noise Amplifier Design Tutorial an lna (low noise amplifier) combines a low noise figure, reasonable gain, and stability without oscillation over entire useful frequency range. basics of low noise amplifier design 1 a number of important design requirements must be considering when undertaking the. So, you should open up your template, and under your “projects”, you should see two different bias transistors.. Low Noise Amplifier Design Tutorial.
From www.eeweb.com
LowNoise Amplifier Series EE Low Noise Amplifier Design Tutorial Plot the noise figure circles for minimum noise. the basic steps for design are as follows: We’re going to use the bias for lna and you can check out the video on bjt biasing to understand how the biasing works. The success of a receiver’s design is measured in multiple dimensions:. So, you should open up your template, and. Low Noise Amplifier Design Tutorial.
From www.researchgate.net
Schematic of low noise amplifier. Download Scientific Diagram Low Noise Amplifier Design Tutorial We’re going to use the bias for lna and you can check out the video on bjt biasing to understand how the biasing works. the basic steps for design are as follows: For this tutorial, we will. The success of a receiver’s design is measured in multiple dimensions:. basics of low noise amplifier design 1 a number of. Low Noise Amplifier Design Tutorial.
From www.mdpi.com
Electronics Free FullText Design and Implementation of Low Noise Low Noise Amplifier Design Tutorial this tutorial is on designing a little noise amplifier. Plot the gain circles for input and output impedance to find the source and load impedances for maximum gain. basics of low noise amplifier design 1 a number of important design requirements must be considering when undertaking the. an lna (low noise amplifier) combines a low noise figure,. Low Noise Amplifier Design Tutorial.
From rickettslab.org
Low noise amplifier design David S. Ricketts Low Noise Amplifier Design Tutorial The success of a receiver’s design is measured in multiple dimensions:. For this tutorial, we will. low noise amplifiers (lnas) play a key role in radio receiver performance. an lna (low noise amplifier) combines a low noise figure, reasonable gain, and stability without oscillation over entire useful frequency range. We’re going to use the bias for lna and. Low Noise Amplifier Design Tutorial.
From rickettslab.org
Low noise amplifier design David S. Ricketts Low Noise Amplifier Design Tutorial low noise amplifiers (lnas) play a key role in radio receiver performance. The success of a receiver’s design is measured in multiple dimensions:. For this tutorial, we will. So, you should open up your template, and under your “projects”, you should see two different bias transistors. this tutorial is on designing a little noise amplifier. an lna. Low Noise Amplifier Design Tutorial.
From www.researchgate.net
Schematic of the lownoise amplifier. Download Scientific Diagram Low Noise Amplifier Design Tutorial this tutorial is on designing a little noise amplifier. the basic steps for design are as follows: For this tutorial, we will. low noise amplifiers (lnas) play a key role in radio receiver performance. So, you should open up your template, and under your “projects”, you should see two different bias transistors. We’re going to use the. Low Noise Amplifier Design Tutorial.
From www.researchgate.net
Detailed schematic of the low noise amplifier (A 1 ) together with the Low Noise Amplifier Design Tutorial Plot the noise figure circles for minimum noise. basics of low noise amplifier design 1 a number of important design requirements must be considering when undertaking the. make transistor sizing part of the noise matching step. The success of a receiver’s design is measured in multiple dimensions:. this tutorial is on designing a little noise amplifier. For. Low Noise Amplifier Design Tutorial.
From www.scirp.org
An XBand Low Noise Amplifier Design for Marine Navigation Radars Low Noise Amplifier Design Tutorial make transistor sizing part of the noise matching step. So, you should open up your template, and under your “projects”, you should see two different bias transistors. an lna (low noise amplifier) combines a low noise figure, reasonable gain, and stability without oscillation over entire useful frequency range. We’re going to use the bias for lna and you. Low Noise Amplifier Design Tutorial.
From www.semanticscholar.org
Lownoise amplifier Semantic Scholar Low Noise Amplifier Design Tutorial Plot the noise figure circles for minimum noise. low noise amplifiers (lnas) play a key role in radio receiver performance. an lna (low noise amplifier) combines a low noise figure, reasonable gain, and stability without oscillation over entire useful frequency range. basics of low noise amplifier design 1 a number of important design requirements must be considering. Low Noise Amplifier Design Tutorial.
From www.electronicsforu.com
Simple LowNoise Audio Distribution Amplifier Electronics Project Low Noise Amplifier Design Tutorial Plot the noise figure circles for minimum noise. an lna (low noise amplifier) combines a low noise figure, reasonable gain, and stability without oscillation over entire useful frequency range. Plot the gain circles for input and output impedance to find the source and load impedances for maximum gain. We’re going to use the bias for lna and you can. Low Noise Amplifier Design Tutorial.
From hackaday.com
Making A 20dB Low Noise Amplifier For A 400MHz Radio Hackaday Low Noise Amplifier Design Tutorial For this tutorial, we will. Plot the gain circles for input and output impedance to find the source and load impedances for maximum gain. basics of low noise amplifier design 1 a number of important design requirements must be considering when undertaking the. low noise amplifiers (lnas) play a key role in radio receiver performance. the basic. Low Noise Amplifier Design Tutorial.
From www.researchgate.net
Schematic of proposed low noise amplifier Download Scientific Diagram Low Noise Amplifier Design Tutorial this tutorial is on designing a little noise amplifier. an lna (low noise amplifier) combines a low noise figure, reasonable gain, and stability without oscillation over entire useful frequency range. Plot the noise figure circles for minimum noise. So, you should open up your template, and under your “projects”, you should see two different bias transistors. Plot the. Low Noise Amplifier Design Tutorial.
From electronicsmaker.com
LowNoise Instrumentation Amplifier Electronics Maker Low Noise Amplifier Design Tutorial For this tutorial, we will. Plot the gain circles for input and output impedance to find the source and load impedances for maximum gain. We’re going to use the bias for lna and you can check out the video on bjt biasing to understand how the biasing works. this tutorial is on designing a little noise amplifier. So, you. Low Noise Amplifier Design Tutorial.